1、直流制动原理:
异步电动机定子绕组中通入直流电流,产生的磁场将是空间位置不变的恒定磁场,转动的转子切割这个静止磁场而产生制动转矩,此制动转矩能阻碍电机的转动,达到使电动机快速制动的效果。
2、V20直流制动的两种模式
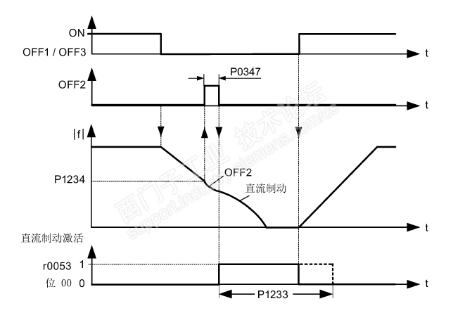
第1种:通过P1233 使能
这种模式通过OFF1 或 OFF3 命令来激活直流制动(如图)。在OFF1或OFF3减速时,当变频器频率降至P1234以下时,变频器脉冲被禁止,开始去磁(去磁时间由P0347设置)。去磁结束后开始直流制动。直流制动时间由P1233设置,制动电流大小由P1232设置(P305额定电流的百分比)。r0053 位 00 来显示直流制动的状态。
第2种:通过 BICO 参数 P1230 使能并激活。
这种模式,通过 BICO 外部开关来改变 P1230 的值,实现直流制动的使能和激活(见下图)。当开关接通时,开始直流制动,开关断开,结束直流制动。直流制动前变频器脉冲会被禁止,开始去磁(去磁时间由P0347设置),去磁结束后开始直流制动。制动电流大小由P1232设置(P305额定电流的百分比)。r0053 位 00 来显示直流制动的状态

平台热线

